(05066) 70 44 0

English  

<<   Light+Building in Frankfurt 8.3.26 - 13.3.26 mehr/more >>

Home
  • Products
    • Products
    • Metering cabinets
    • Transformer cabinets
    • Metering transformer cabinets
    • Freestanding distributors
    • Outdoor distributors
    • Accessories
  • Quality
  • Exhibitions
  • Career
  • Contact

Home > Products > Metering transformer cabinets > Metering cabinet system E 1100/700 D1 ZW

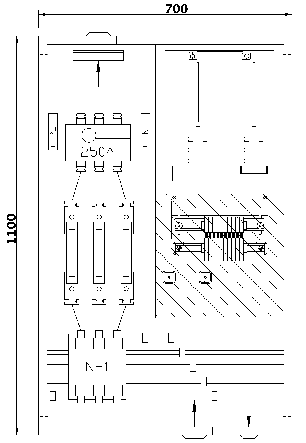
Metering cabinet system E 1100/700 D1 ZW

Recycleble full plastic ● protective insulation ● sturdy stiff design

 

Low-voltage transformer metering 250A

Metering transformer cabinet E 1100/700 D1-ZW

 

Dimensions: 1100 x 700 x 225 mm

 

• Access at bottom via

   5 connection terminals 16 – 120 mm2

• Busbars 12x10 [mm]

 

• NH fuse base Size 1

• Primary guide rail for the transformers

• Load disconnector 250A

 

• Outflow at top via 5 terminal screws M10

 

• Complete wiring to test terminal

• Bottom test terminal

 

• TAE socket outlet

 

Wiring in/out: Pg 48 in slide

 

Lock: Square-key lock with sealable indicating disk

 

4 screws and plugs to mount cabinet ø9

 

Weight: approx. 28 kg

 

 

Meter board E 700/400 D1-HZ5-2-300

 

Dimensions: 520 x 300 x 25 mm

 

• 2 meter positions

• Top test terminal

• Completely wired ready to connect

 

Weight: approx. 2,5 kg

PDF Download
Product inquiry

Contact

Paul Deppe & Co. GmbH

Emmy-Noether-Str. 6 

31157 Sarstedt, Germany 

Telephone: (05066) 70 44 0 

Fax: (05066) 70 44 44 

E-Mail: info{at}deppe.eu

Sitemap

Home

 

Quality

 

Exhibitions

 

Contact

 

Legal

 

Privacy policy

Products

Metering cabinets

Transformer measurements

  • E 700/400 D1
  • E 700/550 D1
  • E 700/750 D1
  • E 950/550 D1
  • E 800/800 D1
  • E 950/800 D1
  • E 2000/800 D1

Direct measurements

  • D 1100/300-1Z
  • D 1250/300-2Z
  • D 1400/300-2Z

Transformer cabinets

  • E 800/550 D1-W
  • E 800/550 D1-W-TN
  • E 800/800 D1-W

Metering transformer cabinets

  • E 700/700 D1-ZW
  • E 1100/700 D1-ZW
  • E 1100/950 D1-ZW
  • E 700/950 D1-ZW
  • E 950/800 D1-ZW
  • E 1250/550 D1-ZW
  • E 1250/800 D1-ZW
  • E 1250/1050 D1-ZW

Freestanding distributors

  • St 2000/820/400 ZW

Outdoor distributors

  • A 1100/1115 ZW
  • A 1100/1445 ZW

Accessories

© 2025 Paul Deppe & Co. GmbH